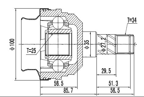
(INT-25/EXT-34) CHEVROLET ASTRA VECTRA ZAFIRA CAJA
Inicia sesión para ver precios
HOMOCINETICAS
SKU:
CVJ-1221
Categoría: Sin Categorizar
Inicia sesión para ver precios
HOMOCINETICAS
No cuenta todavía?
Crear una Cuenta